使用碳化硅進行雙向車載充電機設計
電動汽車(EV)車載充電機(OBC)可以根據功率水平和功能采取多種形式,充電功率從電動機車等應用中的不到 2 kW,到高端電動汽車中的 22 kW 不等。傳統上,充電功率是單向的,但近年來,雙向充電越來越受到關注。本文將重點關注雙向 OBC,并討論碳化硅(SiC)在中功率(6.6 kW)和高功率(11 - 22 kW)OBC 中的優勢。
#1
為什么要轉向采用雙向 OBC
隨著汽車*朝著用更清潔的燃料替代品取代汽油的方向發展,電動汽車運輸的市場區塊正在經歷快速增長。隨著純電動汽車的市場份額不斷增加,每輛車的電池裝機容量也在增加,消費者還要求為大容量電池提供更快的充電時間。尤其是針對高性能的電動汽車,這種需求也促使電池工作電壓從 400 V 增加到 800 V。
配備足夠電池容量的電動汽車將有可能充當儲能系統,實現各種車聯網(vehicle-to-everything, V2X)的充電用例,像是車輛到家庭發電、車輛到電網的應用機會,或是進行車輛到車輛充電。因此,OBC 正在從單向拓撲到雙向拓撲轉變,采用雙向 OBC 提高系統效率是一種普遍趨勢。
▲ 圖 1:雙向 OBC 支持新型車聯網的使用案例
#2
雙向 OBC 系統模塊
電動汽車的 OBC 設計需要高功率密度和最大化效率,以充分利用可用的電動汽車空間并最小化重量。雙向 OBC 由一個雙向 AC/DC 轉換器組成,通常是一個功率因數校正(PFC)或有源前端(AFE)電路,后面則跟著一個隔離的雙向 DC/DC 轉換器。讓我們分別檢查這些模塊。
#3
PFC/AFE 模塊
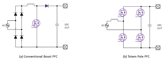
在輸入端,傳統的 PFC 升壓轉換器是使用最廣泛的單相拓撲,但它不支持雙向操作并且效率相對較低。圖騰柱 PFC 通過消除橋式整流器級來提高效率,將傳導路徑中的半導體器件數量從三個減少到兩個。
▲ 圖 2:從升壓拓撲 (a) 更改為圖騰柱PFC (b)
可提高效率并允許雙向操作
圖騰柱 PFC 包含兩個以不同頻率工作的半橋,高頻橋臂進行升壓、整流,以高頻率切換。低頻橋臂主要對輸入電壓進行整流,在 50/60 Hz 的頻率下切換。
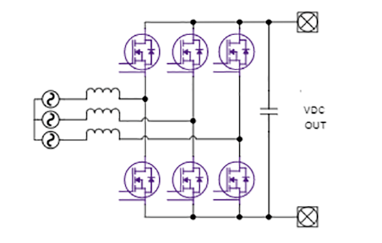
在歐洲的一些地區,三相電源可用于住宅公用事業,通??梢允褂萌?6 開關 PFC/AFE 拓撲,如圖 3 所示。
▲ 圖 3:雙向三相 6 開關 PFC 拓撲
還有其他類型的三相 PFC,例如 T 型 PFC,它是一種三電平轉換器。三電平轉換器的好處是開關損耗更低,電感器尺寸更小。然而,想要獲得這些好處,將會增加系統復雜性、更多的器件數量、更高的總成本和轉換器的總體尺寸。因此,圖 3 所示的基本二電平三相 PFC 轉換器,是三相雙向 OBC 最常用的拓撲。
#4
DC/DC 轉換器模塊
單向 OBC 中的 DC/DC 轉換器通常是 LLC 諧振轉換器,但這是一種單向拓撲,在反向工作模式下,轉換器的電壓增益受到限制,從而降低了其性能。因此,圖 4 中的雙向 CLLC 諧振轉換器更適合 DC/DC 級,因為它在充電和放電模式下都結合了高效率和寬輸出電壓范圍。
▲ 圖 4:雙向 CLLC DCDC 轉換器
在電動汽車 OBC 應用中,CLLC 采用軟開關來提高效率,采用初級側的零電壓開通(ZVS),次級側 ZVS + ZCS 開關相結合。
另一種常見的雙向 DCDC 轉換器拓撲是雙有源橋(DAB)。DAB 的操作非常簡單,通過移相調節輸出。然而,它的 ZVS 范圍有限,并且由于 DAB 關斷電流高于 CLLC,因此其開關損耗高于 CLLC。因此,總的來說,DAB 的效率低于 CLLC。另一方面,CLLC 中諧振電路的設計更為復雜。
#5
SiC 的諸多優點
SiC 因其獨特的高臨界電場、高電子漂移速度、高溫和高導熱性組合,而成為大功率系統的*。在晶體管級別上,其具備低導通電阻(RDS(on))和低開關損耗,使其成為大電流高壓應用的理想選擇。
除了 SiC,大功率設計中的有源器件還有另外兩種選擇,包括硅(Si)MOSFET 和 IGBT。對于圖騰柱 PFC 中的高功率應用,Si MOSFET 是不切實際的。Si MOSFET 體二極管的反向恢復,導致連續導通模式(CCM)下高功率損耗,因此其使用僅限于非連續模式操作和低功率應用。相比之下,SiC MOSFET 允許圖騰柱 PFC 在 CCM 中運行,以實現高效率、低 EMI 和更高的功率密度。對于額定電壓,Si MOSFET 在 650 V 的電壓下,具有*的 RDS(on) 性能。對于 1200 V,Si MOSFET 的 RDS(on) 對于這種大功率應用來說太高了。
與 IGBT 相比,SiC MOSFET 也具有優勢。IGBT 體二極管可以使用超快速二極管代替。但 IGBT 的最大開關頻率由于其高開關損耗而受到限制。與 SiC 解決方案相比,低開關頻率增加了磁性器件和無源組件的重量和尺寸。
#6
中功率雙向 OBC 架構(<6.6 kW)
中功率 OBC 通常采用單相 120 V 或 240 V 輸入和 400 VDC 母線運行。拓撲是單相圖騰柱 PFC,后面跟著 CLLC DCDC 轉換器,如圖 5 所示。
▲ 圖 5:使用 SiC 和圖騰柱 PFC 的高效 OBC 架構
對于 6.6 kW,PFC 中每個位置可采用兩個 60 mΩ MOSFET 并聯(例如 Wolfspeed E3M0060065K)或用一個25 mΩ MOSFET,DCDC 中每個位置可采用一個 60 mΩ(E3M0060065K),或一個45 mΩ MOSFET(E3M0045065K)。下表總結了這種雙向 OBC 設計的器件選擇。
▲ 表 1:高效雙向 OBC 架構(3.3 - 6.6 kW)的
MOSFET 選擇
Wolfspeed 團隊基于圖 5 中的架構設計了一個 6.6 kW OBC 參考設計,以展示 SiC MOSFET 在此應用中的性能和實際用途。
該表顯示了相關的需求。
▲ 表 2:6.6 kW 雙向 OBC 參考設計規格
可在線找到 Wolfspeed 的 6.6 kW 高功率密度雙向 OBC 參考設計的詳細信息。
#7
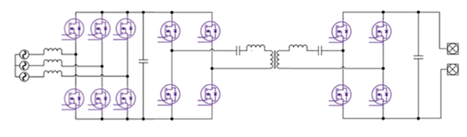
更高功率的雙向 OBC 設計(11 kW / 22 kW)
在 11 kW 或 22 kW 等更高功率水平下,電池電壓可以是 400 V 或 800 V,但如前所述,目前市場則正朝著 800 V 發展。圖 6 顯示了高功率三相雙向 OBC 的系統框圖。
▲ 圖 6:高功率三相雙向 OBC 系統框圖
該設計可兼容 400 V 或 800 V 電池。
11 kW 設計可以將 75 mΩ 1200 V MOSFET(例如 Wolfspeed E3M0075120K)用于 PFC 和 CLLC 轉換器的初級側。在次級側,800V 電池應用使用與初級相同的 75 mΩ MOSFET。40 mΩ 1200 V MOSFET 可用于高性能應用,對于 400 V 電池應用,可以選擇四個 650 V 25 mΩ MOSFET 作為次級側。
22 kW 的設計與 11 kW OBC 的設計相似,但更高的功率輸出需要更低的 RDS(on) 器件,可用一個 32 mΩ 1200 V MOSFET 用于 PFC 和 DCDC 的初級側。同樣地,次級側既可以將相同的初級側器件用于 800 V 母線應用,也可以在 400 V 應用使用 650 V 15 mΩ 來替代。
表 3 總結了大功率三相設計的器件選擇。
▲ 表 3:11 kW 和 22 kW 雙向 OBC 的 MOSFET 選擇
Wolfspeed 為三相雙向 OBC 設計了兩種參考設計,一種用于 22 kW 三相 PFC,一種用于 22 kW DCDC,下表顯示了對大功率 22 kW OBC 的要求。OBC 設計實現了大于 96% 的整體效率,充電和放電模式的 DC/DC 峰值效率大于 98.5%。有關三相 22 kW PFC 和 22 kW DC/DC 的更多詳細信息,請訪問 Wolfspeed 網站。
▲ 表 4:用于雙向 OBC 的
22 kW 三相 PFC 和 DCDC 的高端規格
#8
22 kW 基于 SiC 的參考設計
兼容單相輸入和三相輸入
在許多歐洲家庭中,三相電源很容易獲得,但典型的美*庭、亞洲和南美家庭只有標準的單相 240 V。在這種情況下,設計需要大功率的 22 kW OBC,它可以同時兼容單相和三相以減少 OBC 的數量。第四條橋臂被添加到傳統的三相 PFC 中,這樣設計人員就可以對單相輸入使用交錯技術。圖 7 顯示了一個交錯式圖騰柱 PFC,它具有三個高頻橋臂和第四個低頻橋臂,每個 PFC 的高頻橋臂通過 32 mΩ 1200 V SiC MOSFET 提供 6.6 kW 的功率。低頻橋臂可以使用兩個 Si IGBT 來降低成本。當三相可用時,該電路可以自動重新配置為三相工作,使第四條橋臂懸空不用。
▲ 圖 7:用于 22 kW 單相設計的交錯式圖騰柱 PFC
#9
22 kW 雙向 OBC 中比較 SiC 與 Si
在雙向 OBC 中,基于 SiC 的解決方案在成本、尺寸、重量、功率密度和效率所有相關方面,都優于基于 Si 的解決方案。例如,在(為什么在新一代雙向車載充電機設計中選擇 SiC 而非 Si?)中詳細的比較表明,22 kW 雙向 OBC(圖 6 中所示)基于 SiC 的解決方案需要 14個 功率器件和 14個 柵極驅動器,基于 Si 的設計需要 22 個功率器件和 22 個柵極驅動器。
在比較性能時,SiC 設計實現了 97% 的效率和 3 kW/L 的功率密度,而 Si 設計效率為 95% 和 2 kW/L 的功率密度。
最后,從系統成本中表明,基于 Si 的解決方案比 SiC 設計高出約 18%。6.6 kW 的對比也展現了 SiC 設計的優越性。
與 Si 設計相比,這些優勢使 SiC 系統節省的凈壽命約 550 美元。
#10
關于 Wolfspeed SiC 器件
雙向功能是電動汽車 OBC 設計的新趨勢,Wolfspeed SiC MOSFET 通過提供具有低導通電阻、低輸出電容和低源極電感的器件,*融合了低開關損耗和低導通損耗,從而解決了許多電源設計挑戰。與基于 Si 的解決方案相比,Wolfspeed SiC 功率器件技術能夠提高系統功率密度、更高的開關頻率、減少組件數量,以及減少電感、電容、濾波器和變壓器等組件的尺寸,并潛在地降低系統成本。
本文回顧了 6.6 kW 和 22 kW OBC 應用的雙向設計,并概述了通過切換到基于 SiC 的解決方案可以獲得的性能優勢和成本節約。要了解有關電源設計注意事項和其他主題的更多信息,請訪問 Wolfspeed 知識中心。
英文原稿,敬請訪問:
https://www.wolfspeed.com/knowledge-center/article/designing-with-silicon-carbide-in-bidirectional-on-board-chargers/
免責聲明:本文轉載自“WOLFSPEED”,本文僅代表作者個人觀點,不代表薩科微及行業觀點,只為轉載與分享,支持保護知識產權,轉載請注明原出處及作者,如有侵權請聯系我們刪除。