個人PC所采用的電源都是基于一種名為“開關模式”的技術,所以我們經常會將個人PC電源稱之為——開關電源 (Switching Mode Power Supplies,簡稱SMPS),它還有一個綽號——DC-DC轉化器。本次文章我們將會為您解讀開關電源的工作模式和原理、開關電源內部的元器件的介 紹以及這些元器件的功能。
● 線性電源知多少
目前主要包括兩種電源類型:線性電源(linear)和開關電源(switching)。線性電源的工作原理是首先將127 V或者220 V市電通過變壓器轉為低壓電,比如說12V,而且經過轉換后的低壓依然是AC交流電;然后再通過一系列的二極管進行矯正和整流,并將低壓AC交流電轉化為 脈動電壓(配圖1和2中的“3”);
下一步需要對脈動電壓進行濾波,通過電容完成,然后將經過濾波后的低壓交流電轉換成DC直流電(配圖1和2中的 “4”);此時得到的低壓直流電依然不夠純凈,會有一定的波動(這種電壓波動就是我們常說的紋波),所以還需要穩壓二極管或者電壓整流電路進行矯正。最 后,我們就可以得到純凈的低壓DC直流電輸出了(配圖1和2中的“5”)
配圖1:標準的線性電源設計圖
配圖2:線性電源的波形
盡管說線性電源非常適合為低功耗設備供電,比如說無繩電話、PlayStation/Wii/Xbox等游戲主機等等,但是對于高功耗設備而言,線性電源將會力不從心。
對于線性電源而言,其內部電容以及變壓器的大小和AC市電的頻率成反比:也即說如果輸入市電的頻率越低時,線性電源就需要越大的電容和變壓器, 反之亦然。由于當前一直采用的是60Hz(有些*是50Hz)頻率的AC市電,這是一個相對較低的頻率,所以其變壓器以及電容的個頭往往都相對比較大。此外,AC市電的浪涌越大,線性電源的變壓器的個頭就越大。
由此可見,對于個人PC領域而言,制造一臺線性電源將會是一件瘋狂的舉動,因為它的體積將會非常大、重量也會非常的重。所以說個人PC用戶并不適合用線性電源。
● 開關電源知多少
開關電源可以通過高頻開關模式很好的解決這一問題。對于高頻開關電源而言,AC輸入電壓可以在進入變壓器之前升壓(升壓前一般是50-60 KHz)。
隨著輸入電壓的升高,變壓器以及電容等元器件的個頭就不用像線性電源那么的大。這種高頻開關電源正是我們的個人PC以及像VCR錄像機這樣的設 備所需要的。
需要說明的是,我們經常所說的“開關電源”其實是“高頻開關電源”的縮寫形式,和電源本身的關閉和開啟式沒有任何關系的。
事實上,終端用戶的PC的電源采用的是一種更為優化的方案:閉回路系統(closed loop system)——負責控制開關管的電路,從電源的輸出獲得反饋信號,然后根據PC的功耗來增加或者降低某一周期內的電壓的頻率以便能夠適應電源的變壓器 (這個方法稱作PWM,Pulse Width Modulation,脈沖寬度調制)。
所以說,開關電源可以根據與之相連的耗電設備的功耗的大小來自我調整,從而可以讓變壓器以及其他的元器件帶走更少 量的能量,而且降低發熱量。
反觀線性電源,它的設計理念就是功率至上,即便負載電路并不需要很大電流。這樣做的后果就是所有元件即便非必要的時候也工作在滿負荷下,結果產生高很多的熱量。
下圖3和4描述的是開關電源的PWM反饋機制。圖3描述的是沒有PFC(Power Factor Correction,功率因素校正) 電路的廉價電源,圖4描述的是采用主動式PFC設計的中高端電源。
圖4:有PFC電路的電源
通過圖3和圖4的對比我們可以看出兩者的不同之處:一個具備主動式PFC電路而另一個不具備,前者沒有110/220 V轉換器,而且也沒有電壓倍壓電路。下文我們的重點將會是主動式PFC電源的講解。
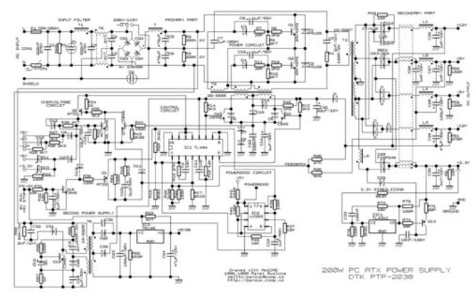
為了讓讀者能夠更好的理解電源的工作原理,以上我們提供的是非常基本的圖解,圖中并未包含其他額外的電路,比如說短路保護、待機電路以及PG信 號發生器等等。當然了,如果您還想了解一下更加詳盡的圖解,請看圖5。如果看不懂也沒關系,因為這張圖本來就是為那些專業電源設計人員看的。
圖5:典型的低端ATX電源設計圖(圖片可能不太清晰建議大家拖出來看)
你可能會問,圖5設計圖中為什么沒有電壓整流電路?事實上,PWM電路已經肩負起了電壓整流的工作。輸入電壓在經過開關管之前將會再次校正,而 且進入變壓器的電壓已經成為方形波。所以,變壓器輸出的波形也是方形波,而不是正弦波。由于此時波形已經是方形波,所以電壓可以輕而易舉的被變壓器轉換為 DC直流電壓。也就是說,當電壓被變壓器重新校正之后,輸出電壓已經變成了DC直流電壓。這就是為什么很多時候開關電源經常會被稱之為DC-DC轉換器。
饋送PWM控制電路的回路負責所有需要的調節功能。如果輸出電壓錯誤時,PWM控制電路就會改變工作周期的控制信號以適應變壓器,最終將輸出電壓校正過來。這種情況經常會發生在PC功耗升高的時,此時輸出電壓趨于下降,或者PC功耗下降的時,此時輸出電壓趨于上升。
在看下一頁時,我們有必要了解一下以下信息:
★在變壓器之前的所有電路及模塊稱為“primary”(一次側),在變壓器之后的所有電路及模塊稱為“secondary”(二次側);
★采用主動式PFC設計的電源不具備110 V/ 220 V轉換器,同時也沒有電壓倍壓器;
★對于沒有PFC電路的電源而言,如果110 V / 220 V被設定為110 V時,電流在進入整流橋之前,電源本身將會利用電壓倍壓器將110 V提升至220 V左右;
★PC電源上的開關管由一對功率MOSFET管構成,當然也有其他的組合方式,之后我們將會詳解;
★變壓器所需波形為方形波,所以通過變壓器后的電壓波形都是方形波,而非正弦波;
★PWM控制電流往往都是集成電路,通常是通過一個小的變壓器與一次側隔離,而有時候也可能是通過耦合芯片(一種很小的帶有LED和光電晶體管的IC芯片)和一次側隔離;
★PWM控制電路是根據電源的輸出負載情況來控制電源的開關管的閉合的。如果輸出電壓過高或者過低時,PWM控制電路將會改變電壓的波形以適應開關管,從而達到校★正輸出電壓的目的;
下一頁我們將通過圖片來研究電源的每一個模塊和電路,通過實物圖形象的告訴你在電源中何處能找到它們。
當你*次打開一臺電源后(確保電源線沒有和市電連接,否則會被電到),你可能會被里面那些奇奇怪怪的元器件搞得暈頭轉向,但是有兩樣東西你肯定認識:電源風扇和散熱片。
開關電源內部
但是您應該很容易就能分辨出電源內部哪些元器件屬于一次側,哪些屬于二次側。一般來講,如果你看到一個(采用主動式PFC電路的電源)或者兩個(無PFC電路的電源)很大的濾波電容的話,那一側就是一次側。
一般情況下,在電源的兩個散熱片之間都會安排3個變壓器,比如說圖7所示,主變壓器是最大個的那顆;中等“體型”的那顆往往負責+5VSB輸 出,而最小的那顆一般用于PWM控制電路,主要用于隔離一次側和二次側部分(這也是為什么在上文圖3和圖4中的變壓器上貼著“隔離器”的標簽)。有些電源 并不把變壓器當“隔離器”來用,而是采用一顆或者多顆光耦(看起來像是IC整合芯片),也即說采用這種設計方案的電源只有兩個變壓器——主變壓器和輔變壓 器。
電源內部一般都有兩個散熱片,一個屬于一次側,另一個屬于二次側。如果是一臺主動式PFC電源,那么它的在一次側的散熱片上,你可以看到開關 管、PFC晶體管以及二極管。這也不是*的,因為也有些廠商可能會選擇將主動式PFC組件安裝到獨立的散熱片上,此時在一次側會有兩個散熱片。
在二次側的散熱片上,你會發現有一些整流器,它們看起來和三極管有點像,但事實上,它們都是由兩顆功率二極管組合而成的。
在二次側的散熱片旁邊,你還會看到很多電容和電感線圈,共同共同組成了低壓濾波模塊——找到它們也就找到了二次側。
區分一次側和二次側更簡單的方法就是跟著電源的線走。一般來講,與輸出線相連的往往是二次側,而與輸入線相連的是一次側(從市電接入的輸入線)。如圖7所示。
區分一次側和二次側
以上我們從宏觀的角度大致介紹了一下一臺電源內部的各個模塊。下面我們細化一下,將話題轉移到電源各個模塊的元器件上來……
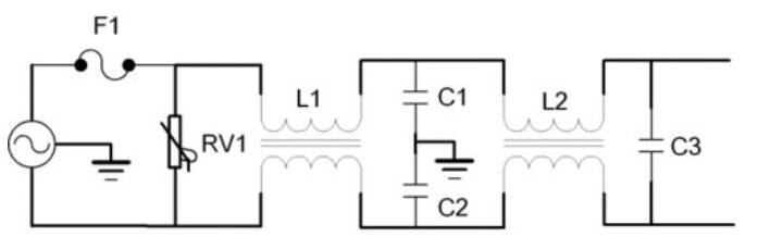
市電接入PC開關電源之后,首先進入瞬變濾波電路(Transient Filtering),也就是我們常說的EMI電路。下圖8描述的是一臺PC電源的“推薦的”的瞬變濾波電路的電路圖。
瞬變濾波電路的電路圖
為什么要強調是“推薦的”的呢?因為市面上很多電源,尤其是低端電源,往往會省去圖8中的一些元器件。所以說通過檢查EMI電路是否有縮水就可以來判斷你的電源品質的優劣。
EMI電路電路的主要部件是MOV (l Oxide Varistor,金屬氧化物壓敏電阻),或者壓敏電阻(圖8中RV1所示),負責抑制市電瞬變中的尖峰。MOV元件同樣被用在浪涌抑制器上(surge suppressors)。盡管如此,許多低端電源為了節省成本往往會砍掉重要的MOV元件。對于配備MOV元件電源而言,有無浪涌抑制器已經不重要了, 因為電源已經有了抑制浪涌的功能。
圖8中的L1 and L2是鐵素體線圈;C1 and C2為圓盤電容,通常是藍色的,這些電容通常也叫“Y”電容;C3是金屬化聚酯電容,通常容量為100nF、470nF或680nF,也叫“X”電容;有 些電源配備了兩顆X電容,和市電并聯相接,如圖8 RV1所示。
X電容可以任何一種和市電并聯的電容;Y電容一般都是兩兩配對,需要串聯連接到火、零之間并將兩個電容的中點通過機箱接地。也就是說,它們是和市電并聯的。
瞬變濾波電路不僅可以起到給市電濾波的作用,而且可以阻止開關管產生的噪聲干擾到同在一根市電上的其他電子設備。
一起來看幾個實際的例子。如圖9所示,你能看到一些奇怪之處嗎?這個電源居然沒有瞬變濾波電路!這是一款低廉的“山寨”電源。請注意,看看電路板上的標記,瞬變濾波電路本來應該有才對,但是卻被喪失良知的黑心JS們帶到了市場里。
這款低廉的“山寨”電源沒有瞬變濾波電路
再看圖10實物所示,這是一款具備瞬變濾波電路的低端電源,但是正如我們看到的那樣,這款電源的瞬變濾波電路省去了重要的MOV壓敏電阻,而且只有一個鐵素體線圈;不過這款電源配備了一個額外的X電容。
低端電源的EMI電路
瞬變濾波電路分為一級EMI和二級EMI,很多電源的一級EMI往往會被安置在一個獨立的PCB板上,靠近市電接口部分,二級EMI則被安置在電源的主PCB板上,如下圖11和12所示。
一級EMI配備了一個X電容和一個鐵素體電感
再看這款電源的二級EMI。在這里我們能看到MOV壓敏電阻,盡管它的安置位置有點奇怪,位于第二個鐵素體的后面。總體而言,應該說這款電源的EMI電路是非常完整的。
完整的二級EMI
值得一提的是,以上這款電源的MOV壓敏電阻是黃色的,但是事實上大部分MOV都是深藍色的。
此外,這款電源的瞬變濾波電路還配備了保險管(圖8中F1所示)。需要注意了,如果你發現保險管內的保險絲已經燒斷了,那么可以肯定的是,電源內部的某個或者某些元器件是存在缺陷的。如果此時更換保險管的話是沒有用的,當你開機之后很可能再次被燒斷。
● 倍壓器和一次側整流電路
上文已經說過,開關電源主要包括主動式PFC電源和被動式PFC電源,后者沒有PFC電路,但是配備了倍壓器(voltage doubler)。倍壓器采用兩顆巨大的電解電容,也就是說,如果你在電源內部看到兩顆大號電容的話,那基本可以判斷出這就是電源的倍壓器。前面我們已經 提到,倍壓器只適合于127V電壓的地區。
兩顆巨大的電解電容組成的倍壓器
拆下來看看
在倍壓器的一側可以看到整流橋。整流橋可以是由4顆二極管組成,也可以是由單個元器件組成,如圖15所示。高端電源的整流橋一般都會安置在專門的散熱片上。
整流橋
在一次側部分通常還會配備一個NTC熱敏電阻——一種可以根據溫度的變化改變電阻值的電阻器。NTC熱敏電阻是Negative Temperature Coefficient的縮寫形式。它的作用主要是用來當溫度很低或者很高時重新匹配供電,和陶瓷圓盤電容比較相似,通常是橄欖色。
● 主動式PFC電路
毫無疑問,這種電路僅可以在配有主動PFC電路的電源中才能看到。圖16描述的正是典型的PFC電路:
主動式PFC電路圖
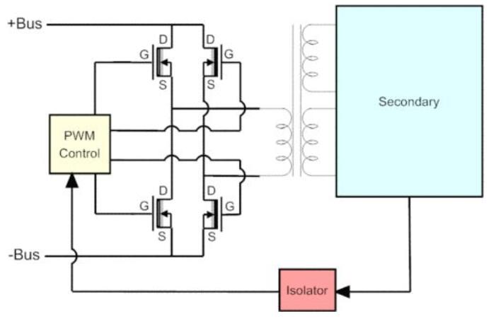
主動式PFC電路通常使用兩個功率MOSFET開關管。這些開關管一般都會安置在一次側的散熱片上。為了易于理解,我們用在字母標記了每一顆MOSFET開關管:S表示源極(Source)、D表示漏極(Drain)、G表示柵極(Gate)。
PFC二極管是一顆功率二極管,通常采用的是和功率晶體管類似的封裝技術,兩者長的很像,同樣被安置在一次側的散熱片上,不過PFC二極管只有兩根針腳。
PFC電路中的電感是電源中最大的電感;一次側的濾波電容是主動式PFC電源一次側部分最大的電解電容。圖16中的電阻器是一顆NTC熱敏電阻,可以更加溫度的變化而改變電阻值,和二級EMI的NTC熱敏電阻起相同的作用。
主動式PFC控制電路通常基于一顆IC整合電路,有時候這種整合電路同時會負責控制PWM電路(用于控制開關管的閉合)。這種整合電路通常被稱為 “PFC/PWM combo”。
照舊,先看一些實例。在圖17中,我們將一次側的散熱片去除之后可以更好的看到元器件。左側是瞬變濾波電路的二級EMI電路,上文已經詳細介紹 過;再看左側,全部都是主動式PFC電路的組件。
由于我們已經將散熱片去除,所以在圖片上已經看不到PFC晶體管以及PFC二極管了。此外,稍加留意的話 可以看到,在整流橋和主動式PFC電路之間有一個X電容(整流橋散熱片底部的棕色元件)。通常情況下,外形酷似陶制圓盤電容的橄欖色熱敏電阻都會有橡膠皮 包裹。
主動式PFC元器件
圖18是一次側散熱片上的元件。這款電源配備了兩個MOSFET開關管和主動式PFC電路的功率二極管:
開關管、功率二極管
下面我們將重點介紹開關管……
● 開關管
開關電源的開關逆變器可以有多種模式,我們總結了一下幾種情況:
|
模式
|
開關管數量
|
二極管數量
|
電容數量
|
變壓器針腳
|
|
單端正激
|
1
|
1
|
1
|
4
|
|
雙管正激
|
2
|
2
|
0
|
2
|
|
半橋
|
2
|
0
|
2
|
2
|
|
全橋
|
4
|
0
|
0
|
2
|
|
推挽
|
2
|
0
|
0
|
3
|
當然了,我們只是分析某種模式下到底需要多少元器件,事實上當工程師們在考慮采用哪種模式時還會受到很多因素制約。
目前最*的兩種模式是雙管正激(two-transistor forward)和全橋式(push-pull)設計,兩者均使用了兩顆開光管。這些被安置在一次側散熱片上的開光管我們已經在上一頁有所介紹,這里就不做過多贅述。
以下是這五種模式的設計圖:
單端正激(Single-transistor forward configuration)
雙管正激(Two-transistor forward configuration)
半橋(Half bridge configuration)
全橋(Full bridge configuration)
推挽(Push-pull configuration)
8、變壓器和PWM控制電路
● 變壓器和PWM控制電路
先前我們已經提到,PC電源一般都會配備3個變壓器:個頭最大的那顆是之前圖3、4和圖19-23上標示出來的主變壓器,它的一次側與開關管相連,二次側與整流電路與濾波電路相連,可以提供電源的低壓直流輸出(+12V,+5V,+3.3V,-12V,-5V)。
最小的那顆變壓器負載+5VSB輸出,通常也成為待機變壓器,隨時處于“待命狀態”,因為這部分輸出始終是開啟的,即便是PC電源處于關閉狀態也是如此。
第三個變壓器是隔離器,將PWM控制電路和開關管相連。并不是所有的電源都會裝備這個變壓器,因為有些電源往往會配備具備相同功能的光耦整合電路。
變壓器
這臺電源采用的是光耦整合電路,而不是變壓器
PWM控制電路基于一塊整合電路。一般情況下,沒有裝備主動式PFC的電源都會采用TL494整合電路(下圖26中采用的是可兼容的 DBL494整合芯片)。具備主動式PFC電路的電源里,有時候也會采用一種用來取代PWM芯片和PFC控制電路的芯片。CM6800芯片就是一個很好的 例子,它可以很好的集成PWM芯片和PFC控制電路的所有功能。
PWM控制電路
● 二次側
最后要介紹的是二次側。在二次側部分,主變壓器的輸出將會被整流和過濾,然后輸出PC所需要的電壓。-5 V和–12 V的整流是只需要有普通的二極管就能完成,因為他們不需要高功率和大電流。
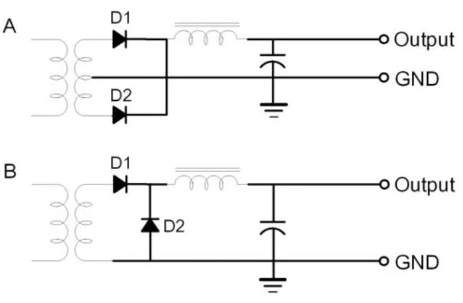
不過+3.3 V, +5 V以及+12 V等正壓的整流任務需要由大功率肖特基整流橋才行。這種肖特基有三個針腳,外形和功率二極管比較相似,但是它們的內部集成了兩個大功率二極管。二次側整流 工作能否完成是由電源電路結構決定,一般有可能會有兩種整流電路結構,如圖27所示:
整流模式
模式A更多的會被用于低端入門級電源中,這種模式需要從變壓器引出三個針腳。模式B則多用于高端電源中,這種模式一般只需要配備兩個變壓器,但是鐵素體電感必須夠大才行,所以這種模式成本較高,這也是為什么低端電源不采用這種模式的主要原因。
此外,對于高端電源而言,為了提升最大電流輸出能力,這些電源往往會采用兩顆二極管并聯的方式將整流電路的最大電流輸出提升一倍。
無論是高端還是低端電源,其+12 V和+5 V的輸出都配備了完整的整流電路和濾波電路,所以所有的電源至少都需要2組圖27所示的整流電路。
對于3.3V輸出而言,有三種選項可供選擇:
☆在+5 V輸出部分增加一個3.3V的電壓穩壓器,很多低端電源都是采用的這種設計方案;
☆為3.3 V輸出增加一個像圖27所示的完整的整流電路和濾波電路,但是需要和5 V整流電路共享一個變壓器。這是高端電源比較普通的一種設計方案。
☆采用一個完整的獨立的3.3V整流電路和濾波電路。這種方案非常罕見,僅在少數發燒級*電源中才可能出現,比如說安耐美的銀河1000W。
由于3.3V輸出通常是完全公用5V整流電路(常見于低端電源)或者部分共用(常見于高端電源中),所以說3.3V輸出往往會受到5V輸出的限制。這就是為什么很多電源要在銘牌中注名“3.3V和5V聯合輸出”。
下圖28是一臺低端電源的二次側。這里我們可以看到負責產生PG信號的整合電路。通常情況下,低端電源都會采用LM339整合電路。
二次側
此外,我們還可以看到一些電解電容(這些電容的個頭和倍壓器或者主動式PFC電路的電容相比要小的多)和電感,這些元件主要是負責濾波功能。
為了更清晰的觀察這款電源,我們將電源上的飛線以及濾波線圈全部移除,如圖29所示。在這里我們能看到一些小的二極管,主要用于-12 V and –5 V的整流,通過的電流非常小(這款電源只要0.5A)。其他的電壓輸出的電流至少要1A,這需要功率二極管負責整流。
–12 V以及–5V負壓電路的整流二極管
10、二次側(二)
● 二次側(2)
下圖描述的是低端電源二次側散熱片上的元器件:
二次側散熱片上的元器件
從左至右依次為:
☆穩壓器IC芯片——盡管它有三個針腳而且看起來和三極管非常相似,但是它卻是可IC芯片。這款電源采用的是7805穩壓器(5V穩壓器),負 責+5VSB的穩壓。之前我們已經提到過,+5VSB采用的是獨立的輸出電路,因為它即便是在PC處于斷電狀態時依然需要向+5VSB提供+5 V輸出。這就是為什么+5VSB輸出也通常會被稱之為“待機輸出”。7805 IC最大可以提供1A的電流輸出。
☆功率MOSFET晶體管,主要負責3.3V輸出。這款電源的MOSFET型號為PHP45N03LT,最大可允許45A的電流通過。上一頁我們已經提到,只有低端電源才會采用和5V共享的3.3V穩壓器。
☆功率肖特基整流器,由兩個二極管整合而成。這款電源的肖特基型號為STPR1620CT,它的每顆二極管最大可允許8A的電流通過(總共為16A)。這種功率肖特基整流器通常被用于12V輸出。
☆另一顆功率肖特基整流器。這款電源采用的型號是E83-004,最大可允許60A電流通過。這種功率整流器常被用于+5 V和+ 3.3 V輸出。因為+5 V和+ 3.3 V輸出采用的是同一個整流器,所以它們的總和不能超過整流器的電流限制。這就是我們常說的聯合輸出的概念。換句話說就是3.3V輸出來自5V輸出。和其他 各路輸出不同,變壓器沒有3.3V輸出。這種設計常用于低端電源。高端電源一般都會采用獨立的+3.3 V和+5 V輸出。
下面來看看高端電源的二次側主要元件:
高端電源二次側的元件
高端電源二次側的元件
這里我們可以看到:
兩顆并聯的負責12V輸出的功率肖特基整流器。低端電源往往只有一顆這樣的整流器。這種設計自然讓整流器的最大電流輸出翻了一倍。這款電源采用的是兩顆STPS6045CW肖特基整流器,每顆最大可運行60A電流通過。
☆一顆負責5V輸出的肖特基整流器。這款電源采用的是STPS60L30CW整流器,最大可允許60A電流通過。
☆一顆負責3.3V輸出的肖特基整流器,這是高端電源和低端電源的主要區別(低端電源往往沒有單獨的3.3V輸出)。這款電源采用的是STPS30L30CT肖特基,最大可允許30A電流通過。
☆一顆電源保護電路的穩壓器。這也是高端電源的象征。
主要指出的是,以上我們所說的最大電流輸出是僅僅是相對于單個元器件而言的。一款電源的最大電流輸出實際上要取決于與之相連的很多元器件的品 質,比如說線圈電感、變壓器、線材的粗細以及PCB電路板的寬窄等等。我們可以通過整流器的最大電流和輸出的電壓相乘得出電源理論上的最大功率。比如說, 最后一張圖中的電源的12V輸出最大功率應該為16A*12V=192W。
免責聲明:本文轉載自“電源研發精英圈”,支持保護知識產權,轉載請注明原出處及作者,如有侵權請聯系我們刪除。